恒大简介

RN1型户内充石英砂熔断器

  • 产品介绍
产品介绍

一、RN1型户内充石英砂熔断器

RN1型充石英砂户内高压熔 断器用于电力线路的过载及短路保护,有较大的开断能力,故亦可用于保护电力系统分出的支路,如城市的供电线路、工矿企业、农业变电站的馈电线路。

RN1型熔断器是由上下支柱绝缘子、触座、 熔丝管和底板等四部分组成,支柱绝缘子安装在底板上,触座固定在支柱绝缘子上,熔丝管放在触座中固定,熔丝管管内熔丝缠在有棱的芯子上,然后充填石英砂,两端铜帽用端盖压紧,用锡焊牢,以保护密封。

当通过过载电流或短路电流时,熔丝立即熔断,同时产生电弧,石英砂就立即把电弧熄灭。在熔丝熔断时,弹簧的拉线也同时熔断,并从弹管 内弹出,这就指示熔断器完成了任务。


二、结构说明及外形尺寸

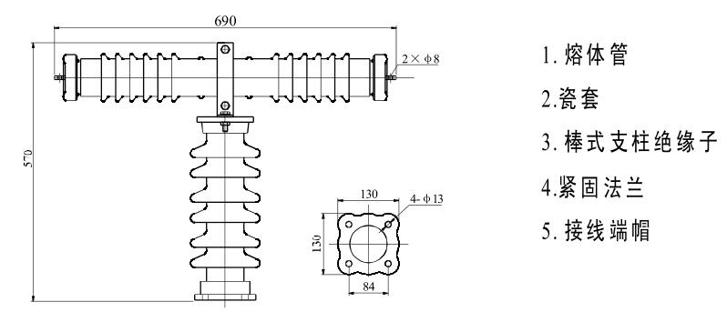
熔断器由熔体管、瓷套、法兰、棒形支柱绝 缘子和接线端帽等组成。用压装的方法将两端的接线端帽 和熔体管固定在瓷套内、然后用紧固法兰把 瓷套固定 在棒形支柱绝缘子上,其结

构说明和外形尺寸如图所示。

40-1.jpg

熔体管采用含氧化硅较高的原料作灭弧介质,应用小直径的金属线做熔丝。当过载电流或短路电流通过熔体管时,熔丝立即熔断 ,电弧发生在几条并联的窄缝中,电弧中的金属蒸汽渗入石英砂中,被强烈游离,迅速 把电弧熄灭。所以,这种熔断器性能好,开断容量大。


三、安装使用

1.熔断器允许水平或垂直安装。

2.熔体管的数据与线路的 使用电压和额定电流不符时,不得接入线路使用。

3.熔体管熔断后,用户可自 行将接线帽拆开,更换同样规 格和性能要求的熔体管。


四、主要技术数据

40-2.jpg

高压熔断器

高压熔断器适用于输电线路与电力变压器 短路及过载保护,是保护电力设备不受损害的最

简单的一种电器。

高压熔 断器适用于海拔1000米以下,环境温度不高于+40℃,不低于-40℃使用,不适用于有燃烧、爆炸危险、剧烈振动、摆动冲击的场所及重污区。